Т-профіль (Т-подібний профіль)
Опис товару
Т-профіль товщиною 2 мм є сучасним і практичним рішенням для створення надійних воріт та інших металевих конструкцій. Завдяки унікальній формі та особливостям виробництва, цей профіль перевершує стандартні аналоги за міцністю, зручністю роботи та герметичністю з'єднань.
Переваги Т-профілю:
- Відсутність іржі та окалин: якісна обробка матеріалу виключає появу корозії на поверхні.
- Прискорення процесу збирання: робота з Т-профілем дозволяє скоротити час виготовлення конструкції вдвічі.
- Герметичність стиків: завдяки особливій формі профілю виключається протікання іржі та скупчення вологи.
- Не потребує обробки герметиком: повна герметизація стиків забезпечується без додаткових матеріалів.
Особливості конструкції:
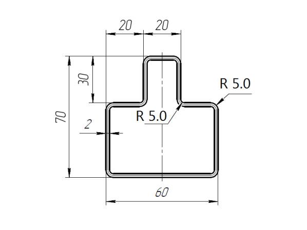
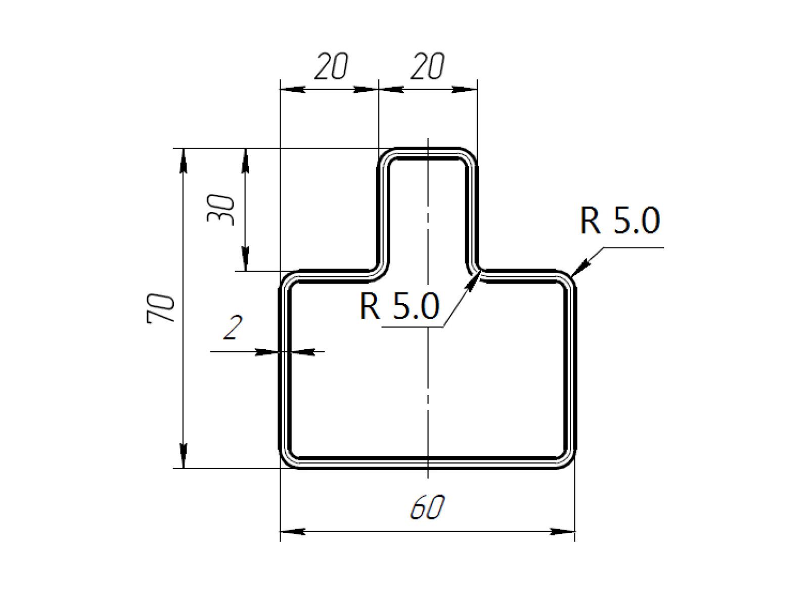
- Т-профіль виготовляється із двох металевих частин:
- 60×40 мм - основна несуча частина;
- 30×20 мм - додаткова укріплююча частина.
- Конструкція є єдиним цілим і забезпечує високу міцність і стійкість до навантажень.
- Товщина профілю 2мм
Ідеальне рішення для металевих конструкцій
Т-профіль товщиною 2 мм – це оптимальний вибір для тих, хто цінує довговічність та надійність. Він забезпечує міцність, стійкість до корозії та простоту монтажу, роблячи його незамінним елементом при виготовленні воріт та інших металевих конструкцій.
Характеристики:
- Типт-профіль
- Фарбуваннябез фарбування
- Розмір, мм60*40x30*20
- Товщина, мм2
- Різновидт-профіль
- Гарантія1









